六欣 卡盘世界集研发/生产/销售服务于一体

全国服务热线400-892-2003189-2584-2597

六欣机械:卡盘世界产品齐全满足一站购齐需求

热搜关键词: 浮动卡盘 指型卡盘 后拉卡盘 夹具附件

上一页
下一页

3爪外后拉卡盘

韩国三千里3爪外后拉卡盘DDL系列

韩国三千里3爪外后拉卡盘DDL系列是一款后拉式卡盘,可拉住的同时夹紧(以加工好的工件外径为准)。

产品特点:

1.夹持的范围大,可以更换顶部的夹爪,加工多个机种;

2.工件平行度和垂直度极高;

3.可防止异物进入卡盘本体内,结构可靠、耐用。

服务热线: 400-892-2003
产品参数/ Product parameters
产品参数详情表
规格 最大拉杆拉力(kgf) 最大拉杆拉力(kgf) 卡爪行程(mm) 柱塞行程(mm) 夹持范围(standard) 夹持范围(Top Jaw) 最大转速(r.p.m) 重量[kg] 转动惯性[kgf.m²]
DDL-04 1350 800 5 7 10-55 15-50 5500 4.5 0.05
DDL-05 2000 1000 5.0 7 15-65 15-60 3500 7.3 0.07
DDL-06 2500 1500 7.2 10 35-85 35-80 3500 14 0.18
DDL-08 4500 2500 7.2 10 40-200 40-150 3000 27 0.66
DDL-10 6000 3500 10.8 15 50-250 50-200 2500 46 1.50
DDL-12 7500 4500 10.8 15 50-300 50-250 2000 68 3.2
产品特点/ Product characteristics
  • 3爪夹持

    3爪夹持

    可拉住的同时夹紧(以加工好的工件外径为准);

  • 夹持的范围大

    夹持的范围大

    夹持的范围大,可以更换顶部的夹爪,加工多个机种;

  • 平行度和垂直度极高

    平行度和垂直度极高

    工件平行度和垂直度极高;

  • 防尘防屑

    防尘防屑

    可防止异物进入卡盘本体内,结构可靠、耐用;

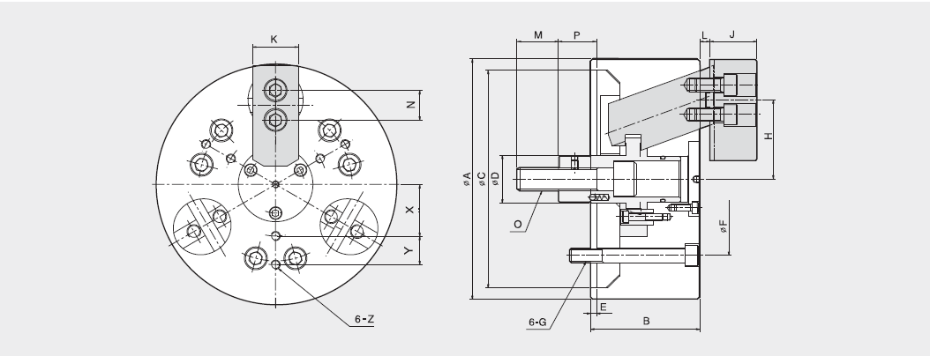
3爪外后拉卡盘工艺图/ Indexing chuck process drawing

3爪外后拉卡盘

品牌中心/ Brand center

品牌中心LOGO

六欣优势/ liuxin advantage
  • 品质

    从原料到成品,经过108道工序,采用德制设备及检测仪器来完成整套加工工序,不合格品一律报废处理,确保产品出厂合格率.

  • 价格

    一手货源,没有中间商

  • 品牌

    产品被好的品牌选用,例如︰美国哈挺、日本津上、韩国斗山等

  • 精度

    广泛应用于航天航空、精密模具、医疗器械等夹持有精度要求的行业

  • 定制

    拥有设计团队,半小时内掌握需求,24小时内能出具方案给到您

  • 货源

    全国多个仓库,就近发货

  • 服务

    3分钟内响应、当天了解、分析、解决客户对卡盘等夹具出现的一切顾虑问题


  • 选配

    一线品牌,一级代理,快速选配,技术支持

热品推荐 / Hot product

千岛三爪中空液压卡盘

千岛三爪中空液压卡盘OP

台湾千岛chandox三爪中空液压卡盘OP系列是一款中空卡盘,搭配中空型油缸和拉杆一起工作;通孔设计工件可以穿过卡盘,一般适合夹持圆棒工件。产品优势:1、优选材质,端面经硬化处理及精密研磨而成,耐用性强。2、产品被好的品牌选用,例如:美国哈挺、日本津上、韩国斗山等。应用场景:主要应用于数控车床,CNC加工中心等机床设备夹持工件的作用。
千岛二爪中空液压卡盘

千岛二爪中空液压卡盘OPT

台湾千岛chandox二爪中空液压卡盘OPT系列是一款二爪卡盘,此款卡盘适合夹持不规则工件,如方形工件等。产品优势:1、从原料到成品,经过108道工序精密研磨,采用德制设备及检测仪器来完成整套加工工序,不合格品一律报废处理,确保产品出厂合格率达100%。2、产品被好的品牌选用,例如:美国哈挺、日本津上、韩国斗山等。应用场景:主要应用于数控车床,CNC加工中心等机床设备夹持工件的作用。
千岛四爪中空液压卡盘

千岛四爪中空液压卡盘OPF

台湾千岛chandox四爪中空液压卡盘OPF系列是一款中空设计的夹具,通孔设计工件可以穿过卡盘,一般适合夹持圆棒或者不规则工件。产品优势:1、从原料到成品,经过108道工序精密研磨,采用德制设备及检测仪器来完成整套加工工序,不合格品一律报废处理,确保产品出厂合格率达100%。2、产品被好的品牌选用,例如:美国哈挺、日本津上、韩国斗山等。应用场景:主要应用于数控车床,CNC加工中心等机床设备夹持工件的作用。
千岛立车用中实卡盘

千岛立车用中实卡盘CL-DP

台湾千岛chandox立车用中实卡盘CL-DP系列是一款中实设计的夹具,一般使用在立车上,适合夹持超大型工件。产品优势:1、从原料到成品,经过108道工序精密研磨,采用德制设备及检测仪器来完成整套加工工序,不合格品一律报废处理,确保产品出厂合格率达100%。2、产品被好的品牌选用,例如:美国哈挺、日本津上、韩国斗山等。应用场景:主要应用于CNC加工中心等机床设备夹持工件的作用。
全国服务热线: 400-892-2003
Baidu
map