-
中空设计
是一款轻量缩短大通孔径超高速中空液压缸;
-
优选材质
采用特殊材质精制而成,耐用性强;
-
防过压设计
内置Lock Valve,防过压,预防液压缸受损,停电或压力急降时保持推力;
-
大通孔径
大通孔径设计,配合中空卡盘使用,高精度,高转速;

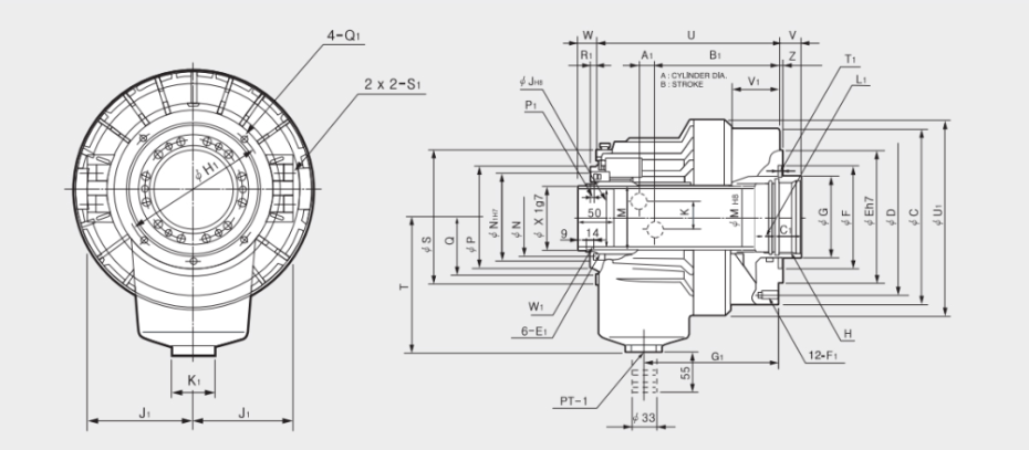
韩国三千里标准型中空雷竞技手机app SYH系列,是一款轻量缩短大通孔径超高速中空液压缸。
产品特点:
1.中空大通孔设计,配合中空卡盘使用,高精度,高转速;
2.内置Lock Valve,防过压,预防液压缸受损,停电或压力急降时保持推力;
| 产品参数详情表 | ||||||||||||
| 规格 | 通径(mm) | 活塞直径(mm) | 活塞行程(mm) | 活塞面积(Push) | 活塞面积(Pull) | 活塞推力(Push) | 活塞推力(Pull) | 最大工作压力(kgf/cm²) | 允许最大转速(min) | 重量[kg] | 惯性力矩[kg.m²] | |
| SYH-1036 | 36 | 105 | 15 | 67 | 64.5 | 25(2549) | 24(2447) | 4.0(40.8) | 8000 | 12.8 | 0.10(0.011) | |
| SYH-1246 | 36,41,46 | 125 | 15 | 100 | 89 | 38(3875) | 33(3365) | 4.0(40.8) | 8000 | 12 | 0.18(0.019) | |
| SYH-1552 | 46,52,69 | 155 | 22 | 161 | 150 | 60(6118) | 56(5710) | 4.0(40.8) | 6200 | 16.8 | 0.52(0.053) | |
| SYH-1877 | 68,69,75,77 | 180 | 25 | 198 | 183 | 74(7546) | 69(7036) | 4.0(40.8) | 4700 | 26 | 0.93(0.095) | |
| SYH-2091 | 78,91 | 205 | 30 | 252 | 234 | 94(9584) | 88(8973) | 4.0(40.8) | 3800 | 33 | 1.45(0.153) | |
是一款轻量缩短大通孔径超高速中空液压缸;
采用特殊材质精制而成,耐用性强;
内置Lock Valve,防过压,预防液压缸受损,停电或压力急降时保持推力;
大通孔径设计,配合中空卡盘使用,高精度,高转速;
品牌中心/ Brand center
从原料到成品,经过108道工序,采用德制设备及检测仪器来完成整套加工工序,不合格品一律报废处理,确保产品出厂合格率.
一手货源,没有中间商
产品被好的品牌选用,例如︰美国哈挺、日本津上、韩国斗山等
广泛应用于航天航空、精密模具、医疗器械等夹持有精度要求的行业
拥有设计团队,半小时内掌握需求,24小时内能出具方案给到您
全国多个仓库,就近发货
3分钟内响应、当天了解、分析、解决客户对卡盘等夹具出现的一切顾虑问题
一线品牌,一级代理,快速选配,技术支持
微信咨询
400电话