-
中实超薄设计
中实超薄设计,短型轻量,高转速;
-
优选材质
采用特殊材质精制而成,耐用性强;
-
防过压设计
内置Lock Valve,防过压,预防液压缸受损,停电或压力急降时保持推力;
-
安装空间最小化
无需旋转接头,安装空间最小化;

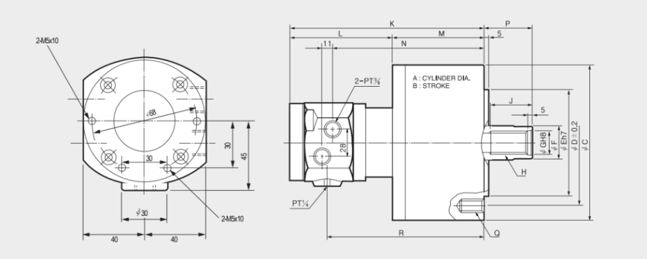
韩国三千里中实油压缸Y-R系列,是一款中实型油缸,短型设计轻量高转速。
产品特点:
1.中实设计,高精度,高转速;
2.内置Lock Valve,防过压,预防液压缸受损,停电或压力急降时保持推力;
| 产品参数详情表 | ||||||||||
| 规格 | 活塞行程(mm) | 活塞面积(Push) | 活塞面积(Pull) | 活塞推力(Push) | 活塞推力(Pull) | 最大工作压力(kgf/cm²) | 允许最大转速(min) | 重量[kg] | 惯性力矩[kg.m²] | |
| Y-0715R | 15 | 44 | 37 | 16.6(1693) | 13.9(1417) | 4.0(40.8) | 6000 | 4 | 0.118(0.012) | |
| Y-1020R | 20 | 86 | 79 | 32.0(3264) | 29(2957) | 4.0(40.8) | 6000 | 7.1 | 0.49(0.05) | |
| Y-1225R | 25 | 122 | 113 | 46.0(4692) | 42(4283) | 4.0(40.8) | 6000 | 10 | 0.88(0.09) | |
| Y-1530R | 30 | 176 | 160 | 66.0(6732) | 60(6118) | 4.0(40.8) | 5500 | 13.5 | 1.86(0.19) | |
| Y-2035R | 35 | 314 | 290 | 117.0(11934) | 108(11013) | 4.0(40.8) | 5500 | 22 | 3.82(0.39) | |
中实超薄设计,短型轻量,高转速;
采用特殊材质精制而成,耐用性强;
内置Lock Valve,防过压,预防液压缸受损,停电或压力急降时保持推力;
无需旋转接头,安装空间最小化;
品牌中心/ Brand center
从原料到成品,经过108道工序,采用德制设备及检测仪器来完成整套加工工序,不合格品一律报废处理,确保产品出厂合格率.
一手货源,没有中间商
产品被好的品牌选用,例如︰美国哈挺、日本津上、韩国斗山等
广泛应用于航天航空、精密模具、医疗器械等夹持有精度要求的行业
拥有设计团队,半小时内掌握需求,24小时内能出具方案给到您
全国多个仓库,就近发货
3分钟内响应、当天了解、分析、解决客户对卡盘等夹具出现的一切顾虑问题
一线品牌,一级代理,快速选配,技术支持
微信咨询
400电话