-
中实设计
中实型气压缸,高速、轻量回转空压缸;
-
薄材加工
适合加工薄材;
-
使用寿命长
采用优质的钢材,经过多道工序研磨而成,耐用性强;
-
支持定制
可按照需求的定制;

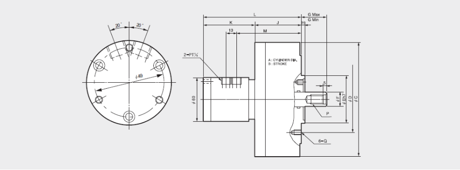
韩国三千里中实回转汽缸AY-R系列,是一款中实型气压缸,高速、轻量回转空压缸,优选精致的钢材,使用寿命长。
产品特点:
1.中实设计,短型轻量,高转速;
2.适合加工薄材;
3.采用优质的钢材,经过多道工序研磨而成,耐用性强。
| 产品参数详情表 | ||||||||||
| 规格 | 活塞行程(mm) | 活塞面积(Push) | 活塞面积(Pull) | 活塞推力(Push) | 活塞推力(Pull) | 最大工作压力(kgf/cm²) | 允许最大转速(min) | 重量[kg] | 惯性力矩[kg.m²] | |
| AY-1005R | 5 | 78.5 | 73.6 | 5.4(552) | 5.1(518) | 8(0.82) | 5000 | 4.1 | 0.686(0.07) | |
| AY-1315R | 15 | 131 | 128 | 7.7(786) | 7.5(770) | 8(0.82) | 5000 | 5.2 | 0.686(0.07) | |
| AY-1720R | 20 | 225 | 220.1 | 13.23(1350) | 12.9(1320) | 8(0.82) | 5000 | 8.3 | 1.078(0.11) | |
| AY-2225R | 25 | 378 | 371.1 | 22.2(2268) | 21.8(2226) | 8(0.82) | 4000 | 13.3 | 2.450(0.25) | |
| AY-2730R | 30 | 570.4 | 560.8 | 33.5(3422) | 33.0(3364) | 8(0.82) | 3000 | 18.7 | 7.350(0.75) | |
中实型气压缸,高速、轻量回转空压缸;
适合加工薄材;
采用优质的钢材,经过多道工序研磨而成,耐用性强;
可按照需求的定制;
品牌中心/ Brand center
从原料到成品,经过108道工序,采用德制设备及检测仪器来完成整套加工工序,不合格品一律报废处理,确保产品出厂合格率.
一手货源,没有中间商
产品被好的品牌选用,例如︰美国哈挺、日本津上、韩国斗山等
广泛应用于航天航空、精密模具、医疗器械等夹持有精度要求的行业
拥有设计团队,半小时内掌握需求,24小时内能出具方案给到您
全国多个仓库,就近发货
3分钟内响应、当天了解、分析、解决客户对卡盘等夹具出现的一切顾虑问题
一线品牌,一级代理,快速选配,技术支持
微信咨询
400电话