-
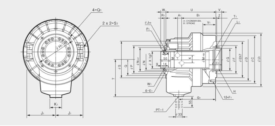
中空设计
是一款轻量缩短大通孔径超高速中空液压缸;
-
优选材质
采用特殊材质精制而成,耐用性强;
-
防过压设计
内置Lock Valve,防过压,预防液压缸受损,停电或压力急降时保持推力;
-
大通孔径
大通孔径设计,配合中空卡盘使用,高精度,高转速;

韩国三千里中空长行程雷竞技手机app SYHL系列,是一款轻量缩短大通孔径超高速中空液压缸。
产品特点:
1.中空大通孔设计,配合中空卡盘使用,高精度,高转速;
2.内置Lock Valve,防过压,预防液压缸受损,停电或压力急降时保持推力;
| 产品参数详情表 | ||||||||||||
| 规格 | 通径(mm) | 活塞直径(mm) | 活塞行程(mm) | 活塞面积(Push) | 活塞面积(Pull) | 活塞推力(Push) | 活塞推力(Pull) | 最大工作压力(kgf/cm²) | 允许最大转速(min) | 重量[kg] | 惯性力矩[kg.m²] | |
| SYHL-1246 | 46 | 125 | 32 | 100 | 89 | 38(3875) | 33(3365) | 4.0(40.8) | 7000 | 12.8 | 0.21(0.022) | |
| SYHL-1552 | 52 | 155 | 34 | 161 | 150 | 60(6118) | 56(5710) | 4.0(40.8) | 6200 | 17 | 0.56(0.058) | |
| SYHL-1877 | 68,75,77 | 180 | 40 | 198 | 183 | 74(7546) | 69(7063) | 4.0(40.8) | 4700 | 26.8 | 0.10(0.098) | |
| SYHL-2091 | 91 | 205 | 50 | 252 | 234 | 94(9585) | 88(8973) | 4.0(40.8) | 3800 | 34.1 | 1.56(0.160) | |
| SYHL-2816 | 166.5 | 280 | 51 | 377 | 332 | 113(11522) | 100(10196) | 3.3(33.6) | 2000 | 101 | 35.5(3.31) | |
是一款轻量缩短大通孔径超高速中空液压缸;
采用特殊材质精制而成,耐用性强;
内置Lock Valve,防过压,预防液压缸受损,停电或压力急降时保持推力;
大通孔径设计,配合中空卡盘使用,高精度,高转速;
品牌中心/ Brand center
从原料到成品,经过108道工序,采用德制设备及检测仪器来完成整套加工工序,不合格品一律报废处理,确保产品出厂合格率.
一手货源,没有中间商
产品被好的品牌选用,例如︰美国哈挺、日本津上、韩国斗山等
广泛应用于航天航空、精密模具、医疗器械等夹持有精度要求的行业
拥有设计团队,半小时内掌握需求,24小时内能出具方案给到您
全国多个仓库,就近发货
3分钟内响应、当天了解、分析、解决客户对卡盘等夹具出现的一切顾虑问题
一线品牌,一级代理,快速选配,技术支持
微信咨询
400电话