-
用途广泛
用于易变形、薄壁工件或重复精度要求高的工序(精加工,磨削)。
-
防止形变
夹紧薄闭件,能防止工件发生形变。
-
弹性夹紧
凭弹簧板的弹性夹紧。
-
优选材质
使用优质的钢材,精密研磨,使用寿命长。

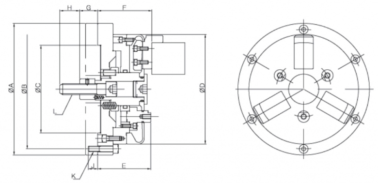
韩国瑞岩SEOAM薄膜动力卡盘(SM-DPM)系列是一款薄膜卡盘,用于易变形、薄壁工件或重复精度要求高的工序(精加工,磨削)。
产品特点:
1.夹紧薄闭件,能防止工件发生形变。
2.凭弹簧板的弹性夹紧。
| 产品参数详情表 | ||||||||||||
| 规格 | 爪行程直径(mm) | 柱塞行程(mm) | 最大夹持力(kgf) | 最小夹持力(kgf) | 转速(r.p.m) | 重量(kg) | 配套气缸 | |||||
| SM-DPM 06 | 3Jaw | 5 | 3 | 76 | 3800 | 14.5 | YAS-100 | |||||
| SM-DPM 08 | 3Jaw, 6Jaw | 5 | 12 | 120 | 3000 | 23 | YAS-125 | |||||
| SM-DPM 10 | 3Jaw, 6Jaw | 5 | 25 | 152 | 2600 | 35 | YAS-150 | |||||
用于易变形、薄壁工件或重复精度要求高的工序(精加工,磨削)。
夹紧薄闭件,能防止工件发生形变。
凭弹簧板的弹性夹紧。
使用优质的钢材,精密研磨,使用寿命长。
品牌中心/ Brand center
从原料到成品,经过108道工序,采用德制设备及检测仪器来完成整套加工工序,不合格品一律报废处理,确保产品出厂合格率.
一手货源,没有中间商
产品被好的品牌选用,例如︰美国哈挺、日本津上、韩国斗山等
广泛应用于航天航空、精密模具、医疗器械等夹持有精度要求的行业
拥有设计团队,半小时内掌握需求,24小时内能出具方案给到您
全国多个仓库,就近发货
3分钟内响应、当天了解、分析、解决客户对卡盘等夹具出现的一切顾虑问题
一线品牌,一级代理,快速选配,技术支持
微信咨询
400电话