-
中实设计气缸
中实设计气缸,轻巧,安装更方便。
-
高转速
气动型气缸,是气动卡盘的标准规格。
-
实用性强
回转阀经特殊设计,能有效的压缩空气减少耗能,以达到经济效益阔大化。
-
优选材质
使用优质的钢材,精密研磨,使用寿命长。

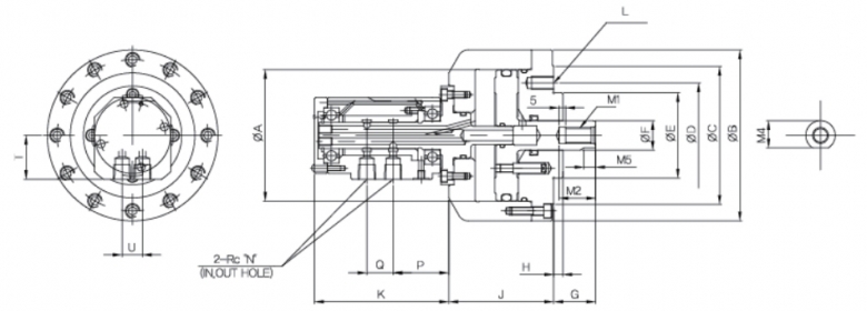
韩国瑞岩SEOAM回转气缸(SM-YAR)系列是一款气动型气缸,是气动卡盘的标准规格。
产品特点:
1.中实设计气缸,轻巧,安装更方便。
2.回转阀经特殊设计,能有效的压缩空气减少耗能,以达到经济效益阔大化。
| 产品参数详情表 | ||||||||||||
| 规格 | 通孔直径(mm) | 输入力KN(kgf) | 允许转速(r.p.m) | 重量(kg) | 活塞冲程(--) | 活塞表面积扩大 | 活塞表面积缩回 | GD2 | 漏气(-) | |||
| SM-YAR 100 | 100 | 8 | 3000 | 6 | 15 | 77 | 73 | 0.10(0.01 | 0.4 | |||
| SM-YAR 150 | 150 | 8 | 2000 | 10 | 15 | 175 | 170 | 0.39(0.04) | 0.4 | |||
| SM-YAR 175 | 175 | 8 | 2000 | 11.5 | 15 | 238.7 | 231.7 | 0.59(0.06) | 0.4 | |||
中实设计气缸,轻巧,安装更方便。
气动型气缸,是气动卡盘的标准规格。
回转阀经特殊设计,能有效的压缩空气减少耗能,以达到经济效益阔大化。
使用优质的钢材,精密研磨,使用寿命长。
品牌中心/ Brand center
从原料到成品,经过108道工序,采用德制设备及检测仪器来完成整套加工工序,不合格品一律报废处理,确保产品出厂合格率.
一手货源,没有中间商
产品被好的品牌选用,例如︰美国哈挺、日本津上、韩国斗山等
广泛应用于航天航空、精密模具、医疗器械等夹持有精度要求的行业
拥有设计团队,半小时内掌握需求,24小时内能出具方案给到您
全国多个仓库,就近发货
3分钟内响应、当天了解、分析、解决客户对卡盘等夹具出现的一切顾虑问题
一线品牌,一级代理,快速选配,技术支持
微信咨询
400电话