-
快速换爪
三爪卡盘,卡爪的更换时,不需要把螺栓拧开收紧,可实现快速换爪。
-
效率高
一分种内可以完成单只卡爪的更换。
-
夹持稳定
高速回转的时候也不会出现因爪子重量引起夹紧力的损失,所以可以稳定地工作。
-
优选材质
使用优质的钢材,精密研磨,使用寿命长。

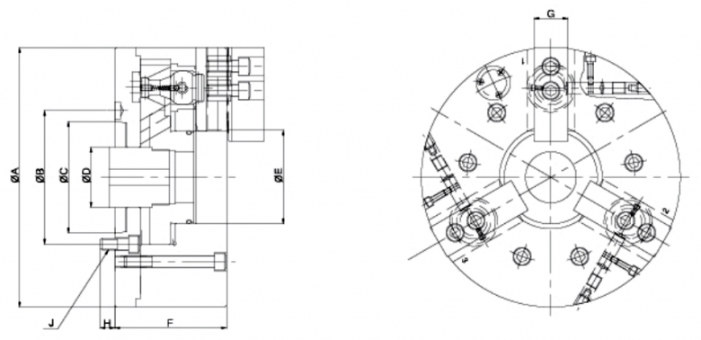
韩国瑞岩SEOAM快换爪卡盘(SM-QJC)系列是一款三爪卡盘,卡爪的更换时,不需要把螺栓拧开收紧,可实现快速换爪。
产品特点:
1.一分种内可以完成单只卡爪的更换。
2.高速回转的时候也不会出现因爪子重量引起夹紧力的损失,所以可以稳定地工作。
| 产品参数详情表 | ||||||||||||
| 规格 | 行程直径(mm) | 柱塞行程(mm) | 最大输入力(kgf) | 静夹持力(kgf) | 转速(r.p.m) | 重量(kg) | 配套气缸 | 夹持直径(外) | 夹持直径(内) | |||
| SM-QJC 06 | 3.5 | 16 | 15.68(1600) | 46.08(4700) | 6000 | 16 | YAH-06 | 48~165 | 8~165 | |||
| SM-QJC 08 | 3.5 | 16 | 23.53(2400) | 64.70(6600) | 5500 | 28 | YAH-08 | 62~210 | 12~210 | |||
| SM-QJC 10 | 4 | 18.5 | 31.37(3200) | 86.27(8800) | 5000 | 42 | YAH-10 | 75~254 | 25~254 | |||
三爪卡盘,卡爪的更换时,不需要把螺栓拧开收紧,可实现快速换爪。
一分种内可以完成单只卡爪的更换。
高速回转的时候也不会出现因爪子重量引起夹紧力的损失,所以可以稳定地工作。
使用优质的钢材,精密研磨,使用寿命长。
品牌中心/ Brand center
从原料到成品,经过108道工序,采用德制设备及检测仪器来完成整套加工工序,不合格品一律报废处理,确保产品出厂合格率.
一手货源,没有中间商
产品被好的品牌选用,例如︰美国哈挺、日本津上、韩国斗山等
广泛应用于航天航空、精密模具、医疗器械等夹持有精度要求的行业
拥有设计团队,半小时内掌握需求,24小时内能出具方案给到您
全国多个仓库,就近发货
3分钟内响应、当天了解、分析、解决客户对卡盘等夹具出现的一切顾虑问题
一线品牌,一级代理,快速选配,技术支持
微信咨询
400电话