-
夹持圆度精度高
夹紧薄管道形状的工件,能获取高精密度的圆度。
-
防止形变
六爪设计,增大工件接触面积防止形变。
-
六爪设计
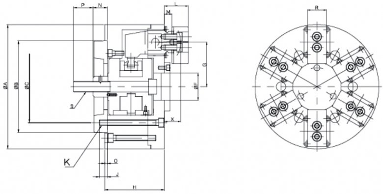
6个卡爪,每两个成为一双,一共三双而成了自动转动的结构。
-
优选材质
使用优质的钢材,精密研磨,使用寿命长。

韩国瑞岩SEOAM六爪杠杆动力卡盘(SM-TIL)系列是一款六爪卡盘,6个卡爪,每两个成为一双,一共三双而成了自动转动的结构。
产品特点:
1.夹紧薄管道形状的工件,能获取高精密度的圆度。
2.六爪设计,增大工件接触面积防止形变。
| 产品参数详情表 | ||||||||||||
| 规格 | 爪行程直径(mm) | 柱塞行程(mm) | 最大输入力(kgf) | 静夹持力(kgf) | 转速(r.p.m) | 重量(kg) | 配套气缸 | 夹持直径(外) | 夹持直径(内) | |||
| SM-TIL 08 | 8 | 4 | 39.2(4000) | 29.4(3000) | 3000 | 36 | YAS-125 | 40~132 | 150~210 | |||
| SM-TIL 10 | 8 | 4 | 58.8(6000) | 44.1(4500) | 2600 | 50 | YAS-150 | 50~160 | 190~254 | |||
| SM-TIL 12 | 8 | 4 | 78.5(8000) | 67.7(6900) | 2200 | 71 | YAS-150 | 60~200 | 230~304 | |||
夹紧薄管道形状的工件,能获取高精密度的圆度。
六爪设计,增大工件接触面积防止形变。
6个卡爪,每两个成为一双,一共三双而成了自动转动的结构。
使用优质的钢材,精密研磨,使用寿命长。
品牌中心/ Brand center
从原料到成品,经过108道工序,采用德制设备及检测仪器来完成整套加工工序,不合格品一律报废处理,确保产品出厂合格率.
一手货源,没有中间商
产品被好的品牌选用,例如︰美国哈挺、日本津上、韩国斗山等
广泛应用于航天航空、精密模具、医疗器械等夹持有精度要求的行业
拥有设计团队,半小时内掌握需求,24小时内能出具方案给到您
全国多个仓库,就近发货
3分钟内响应、当天了解、分析、解决客户对卡盘等夹具出现的一切顾虑问题
一线品牌,一级代理,快速选配,技术支持
微信咨询
400电话