六欣 卡盘世界集研发/生产/销售服务于一体

全国服务热线400-892-2003189-2584-2597

六欣机械:卡盘世界产品齐全满足一站购齐需求

热搜关键词: 浮动卡盘 指型卡盘 后拉卡盘 夹具附件

上一页
下一页

瑞岩摇摆球锁卡盘(SM-CBL)

瑞岩摇摆球锁卡盘(SM-CBL)

韩国瑞岩SEOAM摇摆球锁卡盘(SM-CBL)是一款浮动式动力卡盘, 后拉设计,适合夹持圆棒类锻件、铸件等工件。

产品特点:

1、用于夹紧锻件、铸件,并且夹紧力强。

2、可以夹紧工件的10度倾斜面,具有卡爪可自动左右转动 5º的功能。

3、具有有加工轴的特殊类型的补偿式卡盘和同样结构的2爪卡盘。

服务热线: 400-892-2003
产品参数/ Product parameters
产品参数详情表
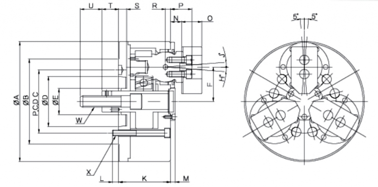
规格 爪行程直径(mm) 柱塞行程(mm) 夹持力(max) 夹持力(min) 输入力(kgf) 静夹持力(kgf) 转速(r.p.m) 重量(kg) 转动惯性(-)
SM-CBL06 9.2 15 120 12 26.5(2700) 44.1(4500) 4000 17.6 2.65(0.27)
SM-CBL08 9.2 15 150 16 33.3(3400) 56.9(5800) 3500 27 5.88(0.6)
SM-CBL10 12.4 20 205 50 44.1(4500) 72.6(7400) 3000 34 10.39(1.06)
产品特点/ Product characteristics
  • 浮动设计

    浮动设计

    用于夹紧锻件、铸件,并且夹紧力强。

  • 倾斜夹持

    倾斜夹持

    可以夹紧工件的10度倾斜面,具有卡爪可自动左右转动 5º的功能。

  •  补偿式卡盘

    补偿式卡盘

    具有有加工轴的特殊类型的补偿式卡盘和同样结构的2爪卡盘。

  • 优选材质

    优选材质

    使用优质的钢材,精密研磨,使用寿命长。

尺寸表/ Indexing chuck process drawing

摇摆球锁卡盘(SM-CBL)图纸

摇摆球锁卡盘(SM-CBL)尺寸表


品牌中心/ Brand center

品牌中心LOGO

六欣优势/ liuxin advantage
  • 品质

    从原料到成品,经过108道工序,采用德制设备及检测仪器来完成整套加工工序,不合格品一律报废处理,确保产品出厂合格率.

  • 价格

    一手货源,没有中间商

  • 品牌

    产品被好的品牌选用,例如︰美国哈挺、日本津上、韩国斗山等

  • 精度

    广泛应用于航天航空、精密模具、医疗器械等夹持有精度要求的行业

  • 定制

    拥有设计团队,半小时内掌握需求,24小时内能出具方案给到您

  • 货源

    全国多个仓库,就近发货

  • 服务

    3分钟内响应、当天了解、分析、解决客户对卡盘等夹具出现的一切顾虑问题


  • 选配

    一线品牌,一级代理,快速选配,技术支持

热品推荐 / Hot product

千岛三爪中空液压卡盘

千岛三爪中空液压卡盘OP

台湾千岛chandox三爪中空液压卡盘OP系列是一款中空卡盘,搭配中空型油缸和拉杆一起工作;通孔设计工件可以穿过卡盘,一般适合夹持圆棒工件。产品优势:1、优选材质,端面经硬化处理及精密研磨而成,耐用性强。2、产品被好的品牌选用,例如:美国哈挺、日本津上、韩国斗山等。应用场景:主要应用于数控车床,CNC加工中心等机床设备夹持工件的作用。
千岛二爪中空液压卡盘

千岛二爪中空液压卡盘OPT

台湾千岛chandox二爪中空液压卡盘OPT系列是一款二爪卡盘,此款卡盘适合夹持不规则工件,如方形工件等。产品优势:1、从原料到成品,经过108道工序精密研磨,采用德制设备及检测仪器来完成整套加工工序,不合格品一律报废处理,确保产品出厂合格率达100%。2、产品被好的品牌选用,例如:美国哈挺、日本津上、韩国斗山等。应用场景:主要应用于数控车床,CNC加工中心等机床设备夹持工件的作用。
千岛四爪中空液压卡盘

千岛四爪中空液压卡盘OPF

台湾千岛chandox四爪中空液压卡盘OPF系列是一款中空设计的夹具,通孔设计工件可以穿过卡盘,一般适合夹持圆棒或者不规则工件。产品优势:1、从原料到成品,经过108道工序精密研磨,采用德制设备及检测仪器来完成整套加工工序,不合格品一律报废处理,确保产品出厂合格率达100%。2、产品被好的品牌选用,例如:美国哈挺、日本津上、韩国斗山等。应用场景:主要应用于数控车床,CNC加工中心等机床设备夹持工件的作用。
千岛立车用中实卡盘

千岛立车用中实卡盘CL-DP

台湾千岛chandox立车用中实卡盘CL-DP系列是一款中实设计的夹具,一般使用在立车上,适合夹持超大型工件。产品优势:1、从原料到成品,经过108道工序精密研磨,采用德制设备及检测仪器来完成整套加工工序,不合格品一律报废处理,确保产品出厂合格率达100%。2、产品被好的品牌选用,例如:美国哈挺、日本津上、韩国斗山等。应用场景:主要应用于CNC加工中心等机床设备夹持工件的作用。
全国服务热线: 400-892-2003
Baidu
map